
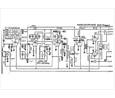
Marque :
Marconi
Modèle :
269 midget
Type appareil :
récepteur à tubes
Année :
1934
Pays d'origine :
France, Grande-Bretagne, Italie
