
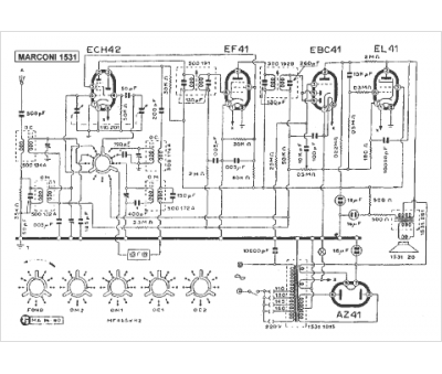
Marque :
Marconi
Modèle :
1531
Type appareil :
récepteur à tubes
Pays d'origine :
France, Grande-Bretagne, Italie
