
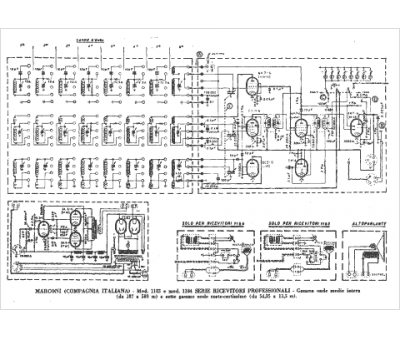
Marque :
Marconi
Modèle :
1183
Type appareil :
récepteur à tubes
Pays d'origine :
France, Grande-Bretagne, Italie
