
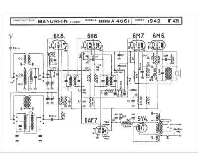
Marque :
Manurhin
Modèle :
Manora a4061
Type appareil :
récepteur à tubes
Année :
1942
