Marque :
Manufrance
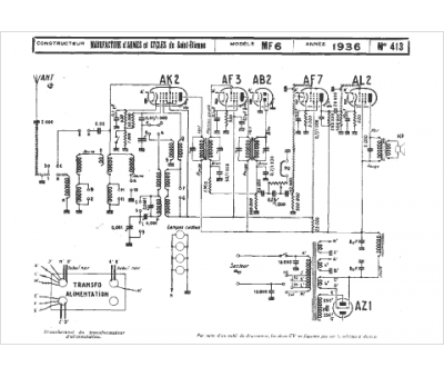
Modèle :
MF-6
Type appareil :
récepteur à tubes
Année :
1936
Forme :
haute
Matière :
bois
Cadran :
carré aiguille rotative
Tubes :
AK2, AF3, AB2, AF7, AL2, AZ1
Moyenne fréquence :
135
Gammes d'ondes :
PU GO PO OC
Alimentation :
secteur 110 à 240 V
