
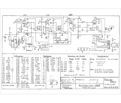
Marque :
Malony Radio
Modèle :
960
Type appareil :
récepteur à tubes
Pays d'origine :
France
