
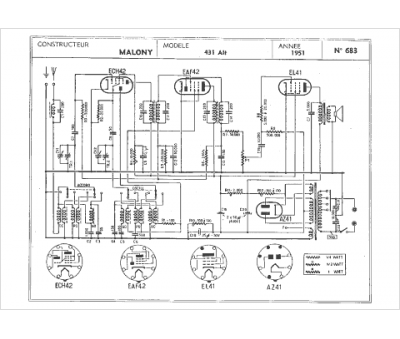
Marque :
Malony
Modèle :
431alt
Type appareil :
récepteur à tubes
Année :
1951
