
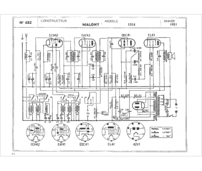
Marque :
Malony
Modèle :
1553
Type appareil :
récepteur à tubes
Année :
1951
