
Marque :
Majestic
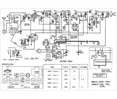
Modèle :
7C432
Type appareil :
récepteur à tubes
Année :
1947
Pays d'origine :
États-Unis
