
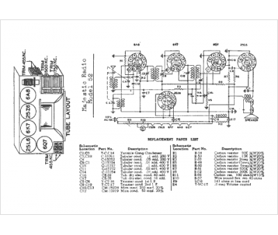
Marque :
Majestic
Modèle :
52
Type appareil :
récepteur à tubes
Année :
1939
Pays d'origine :
États-Unis
