
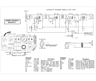
Marque :
Majestic
Modèle :
4C10
Type appareil :
récepteur à tubes
Année :
1940
Pays d'origine :
États-Unis
