
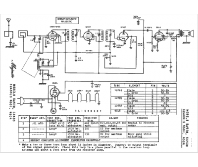
Marque :
Majestic
Modèle :
4501
Type appareil :
récepteur à tubes
Année :
1946
Pays d'origine :
États-Unis
