
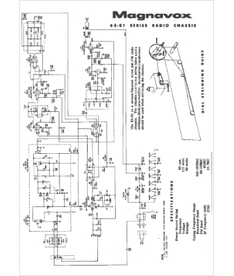
Marque :
Magnavox
Modèle :
65-01
Type appareil :
récepteur à tubes
Année :
1961
Pays d'origine :
États-Unis
