
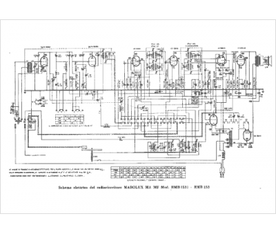
Marque :
Mabolux
Modèle :
RMB 153
Type appareil :
récepteur à tubes
Pays d'origine :
Italie
