
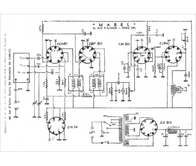
Marque :
Mabel
Modèle :
360
Type appareil :
récepteur à tubes
Pays d'origine :
France
