
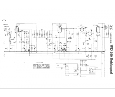
Marque :
Lumophon
Modèle :
WD360 Reichsgraf
Type appareil :
récepteur à tubes
Pays d'origine :
Allemagne
