
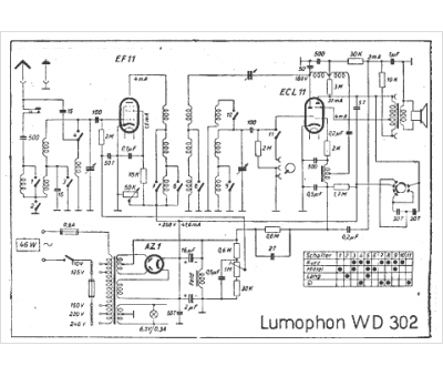
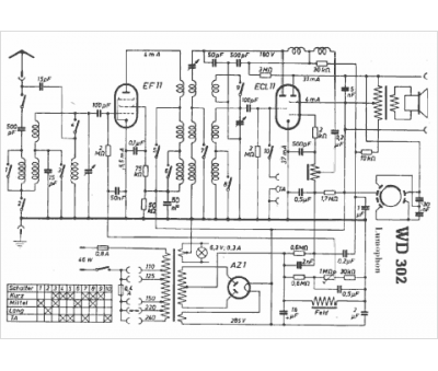
Marque :
Lumophon
Modèle :
Wd 302
Type appareil :
récepteur à tubes
Pays d'origine :
Allemagne
