
Marque :
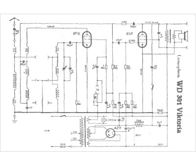
Lumophon
Modèle :
Wd 301 viktoria
Type appareil :
récepteur à tubes
Pays d'origine :
Allemagne
