
Marque :
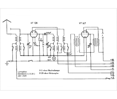
Lumophon
Modèle :
Standard 2 (D29)
Type appareil :
récepteur à tubes
Pays d'origine :
Allemagne
