
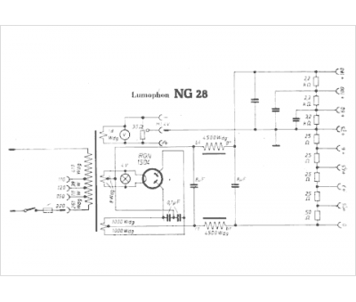
Marque :
Lumophon
Modèle :
NG28
Type appareil :
récepteur à tubes
Pays d'origine :
Allemagne
