
Marque :
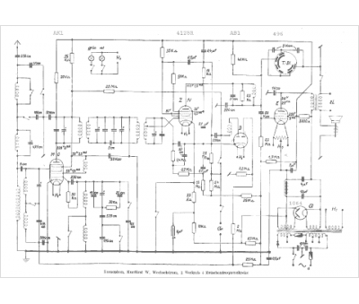
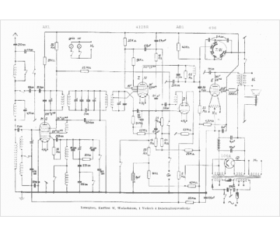
Lumophon
Modèle :
Kurfuerstw
Type appareil :
récepteur à tubes
Pays d'origine :
Allemagne
