
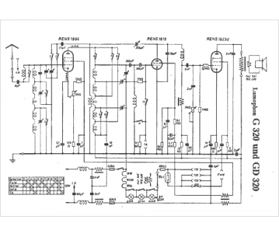
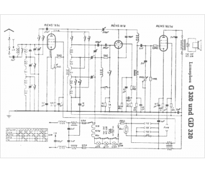
Marque :
Lumophon
Modèle :
GD320
Type appareil :
récepteur à tubes
Pays d'origine :
Allemagne
