
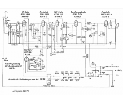
Marque :
Lumophon
Modèle :
Gd 76
Type appareil :
récepteur à tubes
Pays d'origine :
Allemagne
