
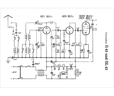
Marque :
Lumophon
Modèle :
G43
Type appareil :
récepteur à tubes
Pays d'origine :
Allemagne
