
Marque :
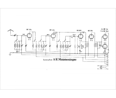
Lumophon
Modèle :
5 K Meistersinger
Type appareil :
récepteur à tubes
Pays d'origine :
Allemagne
