
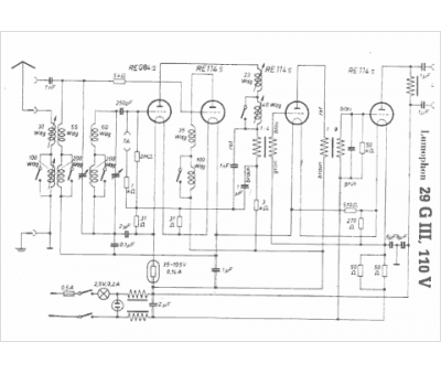
Marque :
Lumophon
Modèle :
29 GIII (110V)
Type appareil :
récepteur à tubes
Pays d'origine :
Allemagne
