
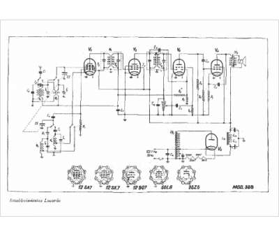
Marque :
Lucarda
Modèle :
338
Type appareil :
récepteur à tubes
Pays d'origine :
Espagne
