
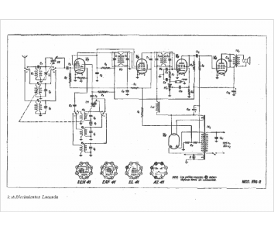
Marque :
Lucarda
Modèle :
336 R
Type appareil :
récepteur à tubes
Pays d'origine :
Espagne
