
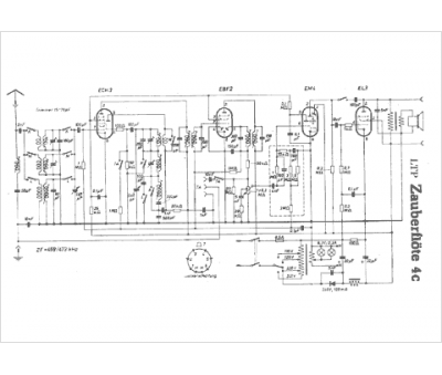
Marque :
LTP
Modèle :
Zauberf 4C
Type appareil :
récepteur à tubes
Pays d'origine :
Allemagne
