
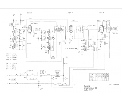
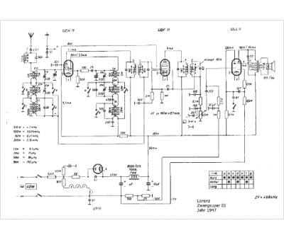
Marque :
Lorenz
Modèle :
Zwergsuper III
Type appareil :
récepteur à tubes
Pays d'origine :
Allemagne
