
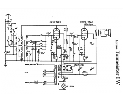
Marque :
Lorenz
Modèle :
Tonmeister IW
Type appareil :
récepteur à tubes
Pays d'origine :
Allemagne
