
Marque :
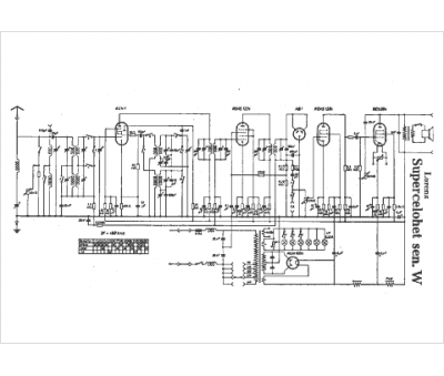
Lorenz
Modèle :
Supercelohet Sen W
Type appareil :
récepteur à tubes
Pays d'origine :
Allemagne
