
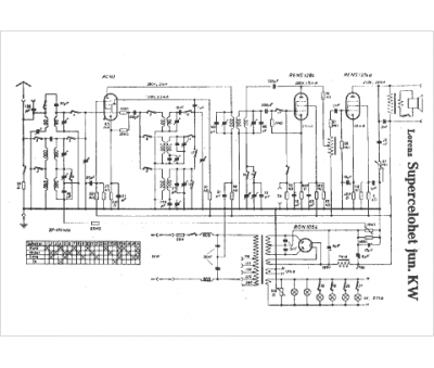
Marque :
Lorenz
Modèle :
Supercelohet jun KW
Type appareil :
récepteur à tubes
Pays d'origine :
Allemagne
