
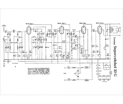
Marque :
Lorenz
Modèle :
Supercelohet 33 G
Type appareil :
récepteur à tubes
Pays d'origine :
Allemagne
