
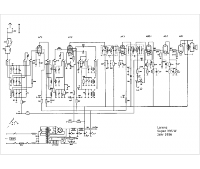
Marque :
Lorenz
Modèle :
Super 395 w
Type appareil :
récepteur à tubes
Pays d'origine :
Allemagne
