
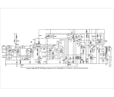
Marque :
Lorenz
Modèle :
Super 200 W
Type appareil :
récepteur à tubes
Pays d'origine :
Allemagne
