
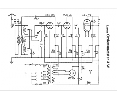
Marque :
Lorenz
Modèle :
Ordenmeister 3W
Type appareil :
récepteur à tubes
Pays d'origine :
Allemagne
