
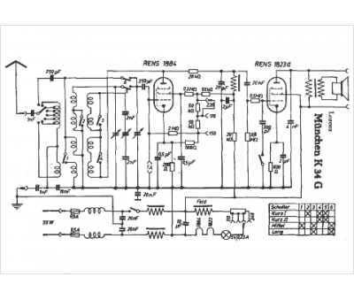
Marque :
Lorenz
Modèle :
Munchen K 34G
Type appareil :
récepteur à tubes
Pays d'origine :
Allemagne
