
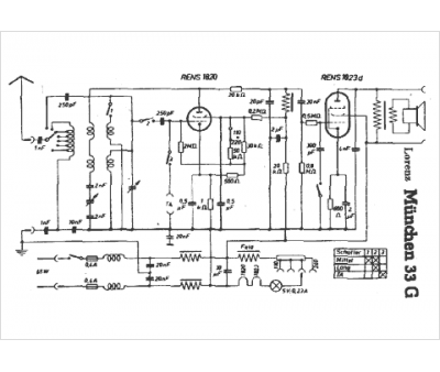
Marque :
Lorenz
Modèle :
Munchen 33G
Type appareil :
récepteur à tubes
Pays d'origine :
Allemagne
