
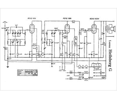
Marque :
Lorenz
Modèle :
Heilsberg G
Type appareil :
récepteur à tubes
Pays d'origine :
Allemagne
