
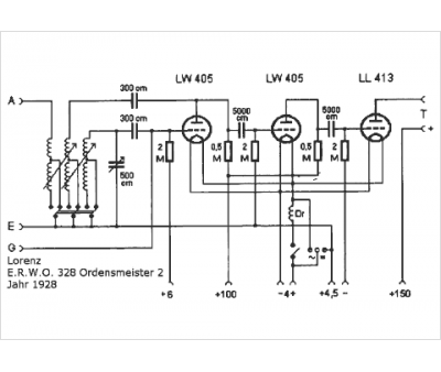
Marque :
Lorenz
Modèle :
ERWO 328
Type appareil :
récepteur à tubes
Pays d'origine :
Allemagne
