
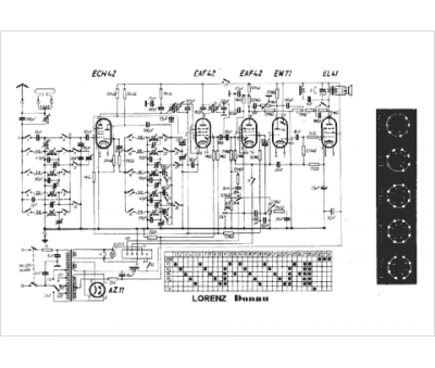
Marque :
Lorenz
Modèle :
Donau
Type appareil :
récepteur à tubes
Pays d'origine :
Allemagne
