
Marque :
Lorenz
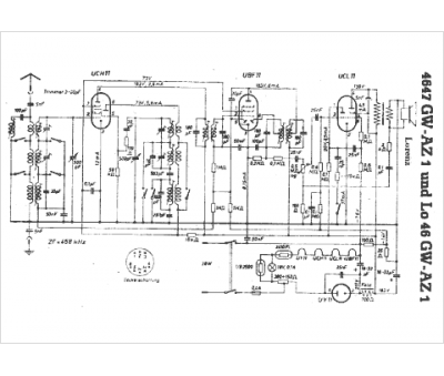
Modèle :
4647 GW-AZ1
Type appareil :
récepteur à tubes
Pays d'origine :
Allemagne
