
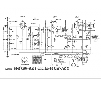
Marque :
Lorenz
Modèle :
46 GW-AZ2
Type appareil :
récepteur à tubes
Pays d'origine :
Allemagne
