
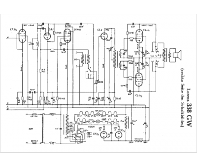
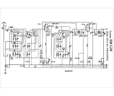
Marque :
Lorenz
Modèle :
338 GW
Type appareil :
récepteur à tubes
Pays d'origine :
Allemagne
