
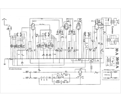
Marque :
Lorenz
Modèle :
30 II A
Type appareil :
récepteur à tubes
Pays d'origine :
Allemagne
