
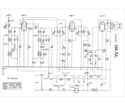
Marque :
Lorenz
Modèle :
100 AL
Type appareil :
récepteur à tubes
Pays d'origine :
Allemagne
