
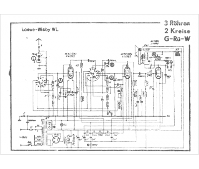
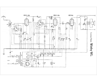
Marque :
Loewe-Opta
Modèle :
Wisby WL
Type appareil :
récepteur à tubes
Pays d'origine :
Allemagne
Tubes :
2*RENS1284, RES 964, 14NG
Alimentation :
secteur 110 à 240 V
