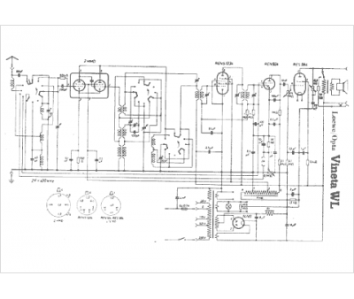
Marque :
Loewe-Opta
Modèle :
Vineta WL
Type appareil :
récepteur à tubes
Année :
1934
Pays d'origine :
Allemagne
Prix de lancement :
2250
Forme :
haute
Dim L x H x P :
395 x 460 x 275
Matière :
bois
Cadran :
demi-lune
Boutons :
3
Technologie :
superhétérodyne
Haut-parleur :
excitation
