
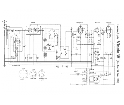
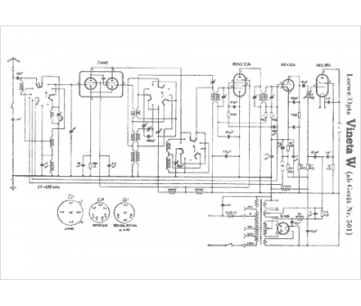
Marque :
Loewe-Opta
Modèle :
Vineta W
Type appareil :
récepteur à tubes
Pays d'origine :
Allemagne
Forme :
basse
Haut-parleur :
non
